Bitte wählen Sie Ihren Lieferstandort

Die Auswahl der Länder-/Regionsseite kann verschiedene Faktoren wie Preis, Einkaufsmöglichkeiten und Produktverfügbarkeit beeinflussen.
Mein Ansprechpartner
Standort auswählen

Nach Eingabe Ihrer Postleitzahl nennen wir Ihnen sofort Ihren persönlichen igus® Berater.

BE(DE)

SHT-FF Linearmodul mit Schnellverschluss

Schnelles und präzises Verstellen

SHT-FF Linearmodule mit Schnellverschluss-Mechanismus bieten eine Kombination aus präzisem Positionieren und schnellem Verstellen per Hand.
  • Aluminiumausführung
  • Für schnelle Formatverstellungen
  • Bremse durch Selbsthemmung inkl.
  • Hublängen frei wählbar
  • Nur empfohlen für horizontale Anwendungen
  • Max. stat. Axiallast 200 N (horizontale Einbaulage)
  • Max. dyn. Axiallast 50 N
Linearmodul mit Schnellverschluss Mechanismus
drücken➔ausrasten➔manuell verschieben➔einrasten➔feinjustieren

SHT-FF-08

SHT-FF Linearmodul mit Schnellverschluss-Mechanismus
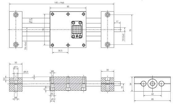
  • Schlittenlänge: 65 mm
  • Maximale Hublänge: 300 mm
  • Wellendurchmesser: 8 mm
  • SHT-08: max. Axiallast: 50 N (horizontale Einbaulage)

SHT-FF-12

SHT-FF Linearmodul mit Schnellverschluss-Mechanismus
  • Schlittenlänge: 85 mm
  • Maximale Hublänge: 750 mm
  • Wellendurchmesser: 12 mm
  • SHT-12: max. Axiallast: 200 N (horizontale Einbaulage)

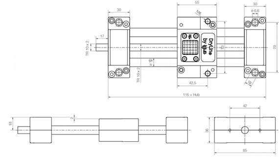
Das besonders leichte Linearmodul mit Schnellverschluss

SHTP-FF in leicher Vollkunststoffausführung

Das SHTP-Linearmodul mit Schnellverschluss-Mechanismus hat alle Vorteile wie die Aluminium Versionen, ist aber aufgrund der Kunststoffausführungen bei Schlitten und Traversen um einiges leichter. Ein Linearmodul mit 100 mm Hublänge hat ein Gewicht von nur 0,35 kg. 
  • Besonders leichter Aufbau
  • Hublängen frei wählbar
  • Nur empfohlen für horizontale Anwendungen
  • Max. stat. Axiallast 200 N
  • Max. dyn. Axiallast 50 N
Leichtes Linearmodul SHTP-FF in Vollkunststoff

SHT-FF Linearmodul mit Schnellverschluss-Mechanismus SHT-FF Linearmodul
SHTP-FF SHTP-FF Linearmodul

Art.-Nr. A Al H E1 E2 E3 l R f lt tk ts tg kt s sk
  -0,3 -0,3   ±0,15 ±0,15 ±0,15 [mm] [mm] [mm] ±0,1 [mm] [mm] [mm] ±0,1    
Versandfertig in 3-4 Werktagen SHT-12-AWM-FF 85 85 34 70 73 36,5 42 2 30 11 6,6 6,4 6,3 10
Versandfertig in 3-4 Werktagen SHTP-01-12-AWM-FF (1) 85 55 36 70 73 42,5 115 42 2 30 10 6,6 0
Versandfertig in 10 Werktagen SHT-08-FF 65 65 23 52 55 55 32 1,5 15,5 10 5,5 7 4,2 8
Mehr zum gewünschten Artikel:
3D CAD 3D CAD
Musterbestellung Musterbestellung
PDF PDF
Preisanfrage Preisanfrage
myCatalog myCatalog

(1)

Art.-Nr. sg kq d T l2 d2* ha max.
Hublänge
Gewicht Gewicht zusätzlich

   
            Standard   [mm] [kg] pro 100 mm    
Versandfertig in 3-4 Werktagen SHT-12-AWM-FF M6 6 12 17 TR10x2 18 750 1,1 0,1 Preis auf Anfrage In den Warenkorb
Versandfertig in 3-4 Werktagen SHTP-01-12-AWM-FF (1) M6 12 17 TR10x2 18 500 0,35 0,11 Preis auf Anfrage In den Warenkorb
Versandfertig in 10 Werktagen SHT-08-FF M5 4,6 8 17 6 13 300 0,35 0,06 Preis auf Anfrage In den Warenkorb
Mehr zum gewünschten Artikel:
3D CAD 3D CAD
Musterbestellung Musterbestellung
PDF PDF
Preisanfrage Preisanfrage
myCatalog myCatalog

(1)


Linearmodule Shop

drylin® Linearmodule mit einem Klick...

...anschlussfertig konfektionierte Linearmodule mit Hublängen in 250 und 500 mm im Online-Shop bestellen.

  • Mit Spindel- oder Zahnriemenantrieb
  • Jedes System in 2 definierten Hublängen
  • Flexibel mit Antriebszapfen für manuellen und elektrischen Betrieb  Einbaufertig mit Spindelklemmung, Positionsanzeiger und Handrad für schnelle reproduzierbare Verstellungen 
  • Kein aufwändiges Suchen und Zusammenstellen
  • Reduzierter Konstruktionsaufwand da pdf und CAD-Datei im Onlineshop verfügbar
Zum Linearmodul-Shop


Versandfertig in 3-4 Werktagen
Versandfertig in 10 Werktagen

Beratung

Gerne beantworte ich Ihre Fragen auch persönlich

Beratung und Lieferung

Persönlich:

Montag – Freitag: 7 – 20 Uhr
Samstag: 8 – 12 Uhr

Online:

Chat-Service:
Montag – Freitag: 8 – 20 Uhr
Samstag: 8 – 12 Uhr
WhatsApp-Service:
Montag – Freitag: 8 – 16 Uhr


The terms "igus", "Apiro", "chainflex", "CFRIP", "conprotect", "CTD", "drylin", "dry-tech", "dryspin", "easy chain", "e-chain", "e-chain systems", "e-ketten", "e-kettensysteme", "e-skin", "e-spool", "flizz", "ibow", "igear", "iglidur", "igubal", "kineKIT", "manus", "motion plastics", "pikchain", "plastics for longer life", "readychain", "readycable", "ReBeL", "speedigus", "triflex", "robolink", "xirodur", and "xiros" are legally protected trademarks of the igus® GmbH/ Cologne in the Federal Republic of Germany and where applicable in some foreign countries.

igus® GmbH points out that it does not sell any products of the companies Allen Bradley, B&R, Baumüller, Beckhoff, Lahr, Control Techniques, Danaher Motion, ELAU, FAGOR, FANUC, Festo, Heidenhain, Jetter, Lenze, LinMot, LTi DRiVES, Mitsubishi, NUM,Parker, Bosch Rexroth, SEW, Siemens, Stöber and all other drive manufacturers mention on this website. The products offered by igus® are those of igus® GmbH