Veuillez sélectionner votre lieu de livraison

Le choix du site pays peut avoir un effet sur différents facteurs tels que le prix, les options de livraison et la disponibilité des produits.
Mon interlocuteur
Sélectionner un site

Indiquez-nous votre code postal, et nous vous dirons aussitôt lequel de nos collaborateurs pourra vous aider.

BE(FR)

Propriétés particulières des tables croisées

Précision élevée, rigidité extrême et alignement précis grâce à une fabrication CNC

disponible en version Standard et Preload

100% sans lubrifiant et totalement insensible à la corrosion

Réglage par vis trapézoïdale TR 10x2

Montage possible de l´unité supérieure avec alignement à gauche ou à droite

Accessoires disponibles (molette, indicateur de position…)

Tables croisées

Tailles de tables croisées SHT-XY

Table croisée drylin SHT-XY-08-AWM

SHT-XY-08-AWM

  • Course maxi : 150 mm
  • Longueur du chariot : 65 mm
  • Matériau de l’arbre : aluminium
  • Diamètre d’arbre : 8 mm
Table croisée drylin SHT-XY-12-AWM

SHT-XY-12-AWM

  • Course maxi : 350 mm
  • Longueur du chariot : 85 mm
  • Matériau de l’arbre : aluminium
  • Diamètre d’arbre : 12 mm

Versions -PL à précontrainte par ressort

Table croisée drylin SHT-XY-12-AWM-PL

SHT-XY-12-AWM-PL

  • Course maxi : 350 mm
  • Longueur du chariot : 85 mm
  • Matériau de l’arbre : aluminium
  • Diamètre d’arbre : 12 mm
  • A précontrainte
Table croisée drylin SHT-XY-20-EWM-PL

SHT-XY-20-EWM-PL

  • Course maxi : 500 mm
  • Longueur du chariot : 130 mm
  • Matériau d'arbre : inox
  • Diamètre d’arbre : 20 mm
  • A précontrainte

Tables croisées SHT/SHT-PL


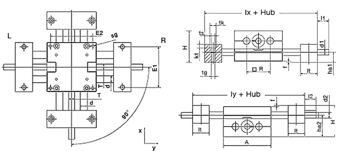
Longueurs et poids tables croisées [mm]

N° de commande A
 -0,3
 [mm]
H
 
[mm]
E1
±0,15
[mm]
E2
±0,15
[mm]
Longueur
de base lx
[mm]
Longueur
de base ly
[mm]
R
 
[mm]
f
 
[mm]
lt
±0,1
[mm]
tk
 
[mm]
ts
 
[mm]
tg
 
kt
 
[mm]
prêt(s) à être expédié(s) en 10 jours ouvrés SHT-XY-12 85 56 70 73 145 145 42 2 30 11 6,6 M8 6,4
prêt(s) à être expédié(s) en 10 jours ouvrés SHT-XY-08 65 42 52 56 96 96 32 1,5 15,5 10 5,5 M6 7
prêt(s) à être expédié(s) en 10 jours ouvrés SHT-XY-12-PL 85 56 70 73 145 145 42 2 30 11 6,6 M8 6,4
prêt(s) à être expédié(s) en 10 jours ouvrés SHT-XY-20-EWM-PL 130 86 108 115 202 202 72 2 36 15 9 M10 8,6
Plus d'informations sur l'article choisi :
CAO 3D CAO 3D
Commande d‘échantillons Commande d‘échantillons
PDF PDF
Demande de prix Demande de prix
myCatalog myCatalog

Cotes tables croisées [mm]

N° de commande sg


d

[mm]
T

l1

[mm]
d1
standard
d1
alternative
l2

[mm]
d2
standard
d2
alternative
ha1

[mm]
ha2

[mm]
W
ha2-ha1
[mm]
prêt(s) à être expédié(s) en 10 jours ouvrés SHT-XY-12 M6 12 TR10x2 17 TR10x2 6h9 17 6h9 18 38 20
prêt(s) à être expédié(s) en 10 jours ouvrés SHT-XY-08 M5 8 TR6x2/TR6,35x2,54 15,5 TR6x2/TR6,35x2,54 5 15 5 13 29 16
prêt(s) à être expédié(s) en 10 jours ouvrés SHT-XY-12-PL M6 12 TR10x2 17 TR10x2 6h9 17 6h9 18 38 20
prêt(s) à être expédié(s) en 10 jours ouvrés SHT-XY-20-EWM-PL M8 20 TR18x4 26 TR18x4 - 26 12h9 23 63 40
Plus d'informations sur l'article choisi :
CAO 3D CAO 3D
Commande d‘échantillons Commande d‘échantillons
PDF PDF
Demande de prix Demande de prix
myCatalog myCatalog
La molette de l´axe y peut être commandée montée à gauche ou à droite.
A gauche : SHT-XY-12-AWM-L-200-300 pour longueur de déplacement de 200 mm dans l´axe x et de 300 mm dans l´axe y.
A droite : SHT-XY-12-AWM-R-200-300 pour longueur de déplacement de 200 mm dans l´axe x et de 300 mm dans l´axe y

Options techniques pour la série SHT

Les options suivantes sont disponibles pour la gamme SHT-XY.


Autres informations et accessoires pour tables croisées



prêt(s) à être expédié(s) en 10 jours ouvrés

Les termes "Apiro", "AutoChain", "CFRIP", "chainflex", "chainge", "chains for cranes", "ConProtect", "cradle-chain", "CTD", "drygear", "drylin", "dryspin", "dry-tech", "dryway", "easy chain", "e-chain", "e-chain systems", "e-ketten", "e-kettensysteme", "e-loop", "energy chain", "energy chain systems", "enjoyneering", "e-skin", "e-spool", "fixflex", "flizz", "i.Cee", "ibow", "igear", "iglidur", "igubal", "igumid", "igus", "igus improves what moves", "igus:bike", "igusGO", "igutex", "iguverse", "iguversum", "kineKIT", "kopla", "manus", "motion plastics", "motion polymers", "motionary", "plastics for longer life", "print2mold", "Rawbot", "RBTX", "readycable", "readychain", "ReBeL", "ReCyycle", "reguse", "robolink", "Rohbot", "savfe", "speedigus", "superwise", "take the dryway", "tribofilament", "tribotape", "triflex", "twisterchain", "when it moves, igus improves", "xirodur", "xiros" and "yes" sont des marques protégées de la société igus® en République fédérale d'Allemagne et le cas échéant à niveau international. Il s'agit ici d'une liste non exhaustive de marques (demandes de marques en cours ou marques déposées par exemple) de la société igus ou de sociétés affiliées à igus en Allemagne, dans l'Union européenne, aux États-Unis et/ou dans d'autres pays ou juridictions.

La société igus® GmbH signale qu'elle ne vend pas de produits des sociétés Allen Bradley, B&R, Baumüller, Beckhoff, Lahr, Control Techniques, Danaher Motion, ELAU, FAGOR, FANUC, Festo, Heidenhain, Jetter, Lenze, LinMot, LTi DRiVES, Mitsubishi, NUM, Parker, Bosch Rexroth, SEW, Siemens, Stöber ni de tous les autres fabricants d'entraînements indiqués sur ce site Web. Les produits proposés par igus® sont des produits de la société igus® GmbH