Bitte wählen Sie Ihren Lieferstandort

Die Auswahl der Länder-/Regionsseite kann verschiedene Faktoren wie Preis, Einkaufsmöglichkeiten und Produktverfügbarkeit beeinflussen.
Mein Ansprechpartner
Standort auswählen

Nach Eingabe Ihrer Postleitzahl nennen wir Ihnen sofort Ihren persönlichen igus® Berater.

BE(DE)

SHT-12-ZB-AWM-10x12

Zerobacklash-Gewindemutter in Linearachse

Das bewährte SHT-Linearmodul wird nun um eine weitere Komponente, die selbstnachstellende Zero-Backlash-Gewindemutter ergänzt. Für Bewegungen, die Wiederholgenauigkeit erfordern und die über Steilgewinde 10x12 und 10x50 realisiert werden, sorgt die ZB für ein minimales, lebenslanges Umkehrspiel.

Schmiermittel- und wartungsfrei

Hohe, lastunabhängige Präzision

Selbstnachstellend

Leise

Korrosionsfrei


Einsatzgebiete: Labor- und Medizintechnik, allgemeiner Maschinenbau.

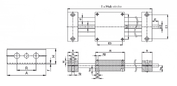
Abmessungen [mm]

Bestellnummer Hublänge Stahlwelle
Gewicht zusätzl.
max. stat. Tragfähigkeit A Al H E1 E2 E3    
    [kg] (pro 100 mm)[kg] axial[N] radial[N] -0,3 -0,3   +0,15 +0,15 +0,15    
Lieferzeit auf Anfrage SHT-08-ZB-AWM-6.35X12.7 (1) 300 0 100 400 65 65 23 52 55 55 Preis auf Anfrage In den Warenkorb
Versandfertig in 3-4 Werktagen SHT-08-ZB-AWM-6X2P1 (1) 300 0 100 400 65 65 23 52 55 55 Preis auf Anfrage In den Warenkorb
Versandfertig in 10 Werktagen SHT-12-ZB-10X12 (1) 500 0,8 0,2 150 600 85 34 70 73 73 Preis auf Anfrage In den Warenkorb
Mehr zum gewünschten Artikel:
3D CAD 3D CAD
Musterbestellung Musterbestellung
PDF PDF
Preisanfrage Preisanfrage
myCatalog myCatalog

(1)

Bestellnummer I R f lt tk
±0,1
ts tg kt
±0,1
s sk sg kq d T l2 d2 ha
Lieferzeit auf Anfrage SHT-08-ZB-AWM-6.35X12.7 (1) 96 32 1,5 15,5 10 5,5 7 4,2 8 M5 4,6 8 17 6,35 13
Versandfertig in 3-4 Werktagen SHT-08-ZB-AWM-6X2P1 (1) 96 32 1,5 15,5 10 5,5 7 4,2 8 M5 4,6 8 17 TR6x2 13
Versandfertig in 10 Werktagen SHT-12-ZB-10X12 (1) 2 11 6,6 6,4 6,3 10 M6 6 12 17 10x12
Mehr zum gewünschten Artikel:
3D CAD 3D CAD
Musterbestellung Musterbestellung
PDF PDF
Preisanfrage Preisanfrage
myCatalog myCatalog

(1)


Versandfertig in 3-4 Werktagen
Versandfertig in 10 Werktagen
Lieferzeit auf Anfrage

The terms "igus", "Apiro", "chainflex", "CFRIP", "conprotect", "CTD", "drylin", "dry-tech", "dryspin", "easy chain", "e-chain", "e-chain systems", "e-ketten", "e-kettensysteme", "e-skin", "e-spool", "flizz", "ibow", "igear", "iglidur", "igubal", "kineKIT", "manus", "motion plastics", "pikchain", "plastics for longer life", "readychain", "readycable", "ReBeL", "speedigus", "triflex", "robolink", "xirodur", and "xiros" are legally protected trademarks of the igus® SE & Co. KG/ Cologne in the Federal Republic of Germany and where applicable in some foreign countries.

igus® SE & Co. KG points out that it does not sell any products of the companies Allen Bradley, B&R, Baumüller, Beckhoff, Lahr, Control Techniques, Danaher Motion, ELAU, FAGOR, FANUC, Festo, Heidenhain, Jetter, Lenze, LinMot, LTi DRiVES, Mitsubishi, NUM,Parker, Bosch Rexroth, SEW, Siemens, Stöber and all other drive manufacturers mention on this website. The products offered by igus® are those of igus® SE & Co. KG