Bitte wählen Sie Ihren Lieferstandort

Die Auswahl der Länder-/Regionsseite kann verschiedene Faktoren wie Preis, Einkaufsmöglichkeiten und Produktverfügbarkeit beeinflussen.
Mein Ansprechpartner
Standort auswählen

Nach Eingabe Ihrer Postleitzahl nennen wir Ihnen sofort Ihren persönlichen igus® Berater.

BE(DE)

drylin® SHTC - der Flexible

Besondere Eigenschaften

Hohe Flexibilität

Ideal für 2 Schlitten

Wartungsfreier Trockenlauf

3 Baugrößen

Einstellbares Lagerspiel

Zu diesen Artikeln passend:


SHTC - Der Flexible

:

 


Bestellung eines kompletten Systems

Konfiguration in wenigen Schritten:

1. Auswahl der Baugröße
2. Eingabe der Hublänge in mm
3. Auswahl von Zubehörteilen

Hinweis:

Detailinformationen finden Sie unten in den Zeichnungen und Tabellen sowie auf den u.g. Seiten.

drylin® SHTC - komplettes System

Schritt 1

Wählen Sie die Baugröße des Spindel-Lineartisches aus.

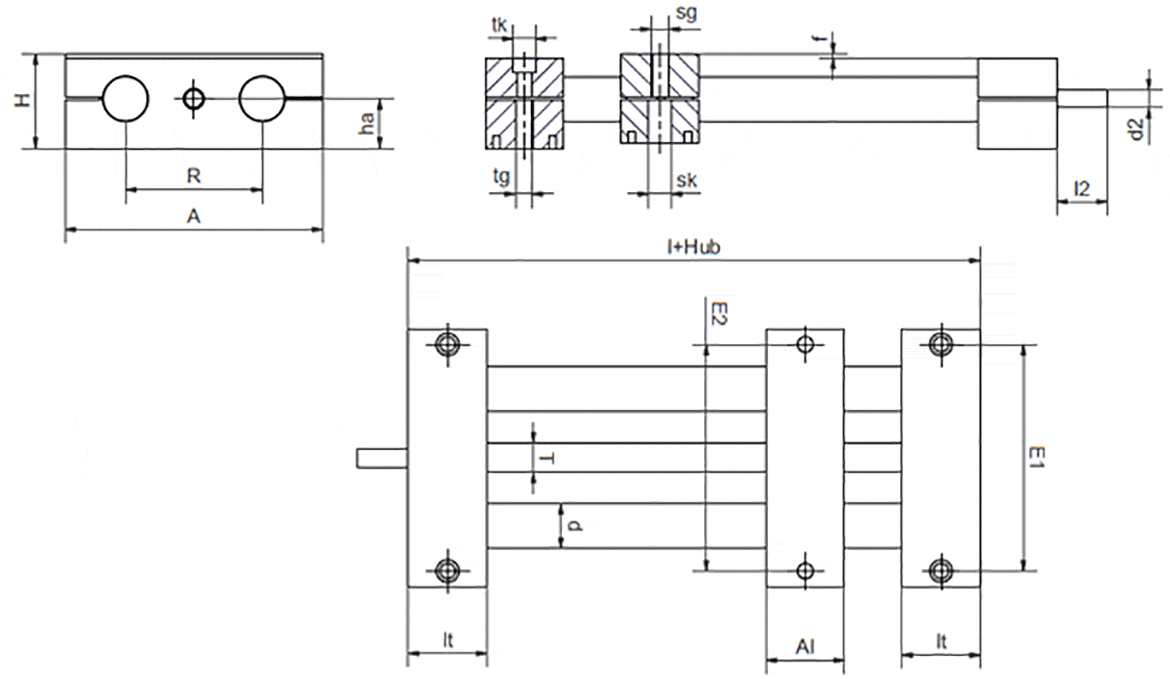
technical drawing
Baugröße:

Abmessungen [mm]

Bestellnr. max.
Hublänge
Gewicht
[kg]
Zusätzlich
(pro 100 mm)
[kg]
max. stat.
Tragfähigkeit
axial radial
[N] [N]
A
-0,3
Al
-0,3
H E1
±0,15
E2
±0,15
l R f Einzelpreis bei Basishub 100mm  
Versandfertig in 10 Werktagen SHTC-08-AWM 300 0,24 0,05 100 360 65 38 23 52 55 96 32 1,5 Preis auf Anfrage In den Warenkorb
Versandfertig in 3-4 Werktagen SHTC-12-AWM (1) 750 0,7 0,01 700 2800 85 30 34 70 73 90 42 2 153,63 EUR In den Warenkorb
Lieferzeit auf Anfrage SHTC-20-AWM 1000 1,9 0,03 1600 6400 130 36 48 108 115 108 72 2 219,48 EUR In den Warenkorb
Versandfertig in 3-4 Werktagen SHTC-30-AWM 1250 4,6 0,06 2500 10000 180 50 68 150 158 150 96 4 351,16 EUR In den Warenkorb
Versandfertig in 10 Werktagen SHTC-40-AWM 1500 11 0,9 4000 16000 230 70 84 202 202 210 122 4 Preis auf Anfrage In den Warenkorb
Versandfertig in 10 Werktagen SHTC-40-SWM 1500 16 2,4 4000 16000 230 70 84 202 202 210 122 4 Preis auf Anfrage In den Warenkorb
Versandfertig in 10 Werktagen SHTC-50-AWM 1500 17 1,2 6250 25000 280 80 100 250 250 240 152 4 Preis auf Anfrage In den Warenkorb
Lieferzeit auf Anfrage SHTC-50-SWM 1500 26,3 3,5 6250 25000 280 80 100 250 250 240 152 4 Preis auf Anfrage In den Warenkorb
Lieferzeit auf Anfrage SHTC-12-SWM (1) 750 0,8 0,02 700 2800 85 30 34 70 73 90 42 2 155,17 EUR In den Warenkorb
Lieferzeit auf Anfrage SHTC-20-SWM 1000 2,3 0,06 1600 6400 130 36 48 108 115 108 72 2 222,04 EUR In den Warenkorb
Lieferzeit auf Anfrage SHTC-30-SWM 1250 5,8 0,14 2500 10000 180 50 68 150 158 150 96 4 354,75 EUR In den Warenkorb
Lieferzeit auf Anfrage SHTC-12-EWM (1) 750 0,8 0,02 700 2800 85 30 34 70 73 90 42 2 199,33 EUR In den Warenkorb
Lieferzeit auf Anfrage SHTC-20-EWM 1000 2,3 0,06 1600 6400 130 36 48 108 115 108 72 2 311,73 EUR In den Warenkorb
Lieferzeit auf Anfrage SHTC-30-EWM 1250 5,8 0,14 2500 10000 180 50 68 150 158 150 96 4 551,20 EUR In den Warenkorb
Mehr zum gewünschten Artikel:
3D CAD 3D CAD
Musterbestellung Musterbestellung
PDF PDF
Preisanfrage Preisanfrage
myCatalog myCatalog

(1)

Bestellnr. lt
tk ts tg kt
±0,1
sk sg kq d T l2 d2
Standard*
ha
Versandfertig in 10 Werktagen SHTC-08-AWM 15,5 10 5,5 7 8 M5 4,6 8 17 Tr6x2 13
Versandfertig in 3-4 Werktagen SHTC-12-AWM (1) 30 11 6,6 6,4 10 M6 6 12 17 TR10x2 18
Lieferzeit auf Anfrage SHTC-20-AWM 36 15 9 8,6 11 M8 7 20 26 12 h9 23
Versandfertig in 3-4 Werktagen SHTC-30-AWM 50 20 13,5 12,6 18 M12 10,6 30 38 14 h9 36
Versandfertig in 10 Werktagen SHTC-40-AWM 70 20 13,5 12,6 20 M16 39 40 45 16 44
Versandfertig in 10 Werktagen SHTC-40-SWM 70 20 13,5 12,6 20 M16 39 40 45 16 44
Versandfertig in 10 Werktagen SHTC-50-AWM 80 20 13,5 12,6 20 M16 49 50 50 20 52
Lieferzeit auf Anfrage SHTC-50-SWM 80 20 13,5 12,6 20 M16 49 50 50 20 52
Lieferzeit auf Anfrage SHTC-12-SWM (1) 30 11 6,6 6,4 10 M6 6 12 17 TR10x2 18
Lieferzeit auf Anfrage SHTC-20-SWM 36 15 9 8,6 11 M8 7 20 26 12 h9 23
Lieferzeit auf Anfrage SHTC-30-SWM 50 20 13,5 12,6 18 M12 10,6 30 38 14 h9 36
Lieferzeit auf Anfrage SHTC-12-EWM (1) 30 11 6,6 6,4 10 M6 6 12 17 TR10x2 18
Lieferzeit auf Anfrage SHTC-20-EWM 36 15 9 8,6 11 M8 7 20 26 12 h9 23
Lieferzeit auf Anfrage SHTC-30-EWM 50 20 13,5 12,6 18 M12 10,6 30 38 14 h9 36
Mehr zum gewünschten Artikel:
3D CAD 3D CAD
Musterbestellung Musterbestellung
PDF PDF
Preisanfrage Preisanfrage
myCatalog myCatalog

*TR10x2 ohne bearbeitetes Spindelende
(1)


Zu diesen Artikeln passend:

Versandfertig in 24–48 Stunden drylin® E – Produktübersicht

Die konsequente Weiterführung des Baukasten und Systemgedankens der schmierfreien drylin®-Lineartechnik


Versandfertig in 24–48 Stunden
Versandfertig in 3-4 Werktagen
Versandfertig in 10 Werktagen
Lieferzeit auf Anfrage

The terms "igus", "Apiro", "chainflex", "CFRIP", "conprotect", "CTD", "drylin", "dry-tech", "dryspin", "easy chain", "e-chain", "e-chain systems", "e-ketten", "e-kettensysteme", "e-skin", "e-spool", "flizz", "ibow", "igear", "iglidur", "igubal", "kineKIT", "manus", "motion plastics", "pikchain", "plastics for longer life", "readychain", "readycable", "ReBeL", "speedigus", "triflex", "robolink", "xirodur", and "xiros" are legally protected trademarks of the igus® SE & Co. KG/ Cologne in the Federal Republic of Germany and where applicable in some foreign countries.

igus® SE & Co. KG points out that it does not sell any products of the companies Allen Bradley, B&R, Baumüller, Beckhoff, Lahr, Control Techniques, Danaher Motion, ELAU, FAGOR, FANUC, Festo, Heidenhain, Jetter, Lenze, LinMot, LTi DRiVES, Mitsubishi, NUM,Parker, Bosch Rexroth, SEW, Siemens, Stöber and all other drive manufacturers mention on this website. The products offered by igus® are those of igus® SE & Co. KG