Nach Eingabe Ihrer Postleitzahl nennen wir Ihnen sofort Ihren persönlichen igus® Berater.
 
        absolute Schmiermittelfreiheit
geringes Gewicht durch Aluminium und Kunststoff
Temperaturbeständigkeit bis +60 °C
Optional als korrosionsbeständige Variante mit Edelstahlspindel verfügbar
Geschützte Spindel
Effektive Bauweise
Ohne Spindel als Messsystem mit Skalierung verfügbar
Flanschversionen für axiale Befestigung an Flächen und Profilen
 
        | A [mm]: | 
 | 
 
                Wählen Sie die Baugröße des Spindel-Lineartisches aus.
| Bestell-Nr. | max. Hublänge | Aluminiumwelle | max. statische Tragfähigkeit | Einzelpreis bei | |||
|---|---|---|---|---|---|---|---|
| Gewicht Traversen und Führungswagen | zusätzl. (pro 100 mm) | axial | radial | Basishub 100 mm | |||
| [mm] | [kg] | [kg] | [N] | [N] | |||
| SET-12-AWM (1) | 200 | 0,05 | 0,03 | 10 | 20 | 60,36 EUR | |
| SET-25-AWM (1) | 750 | 0,15 | 0,12 | 150 | 300 | 114,01 EUR | |
| SET-30-AWM (1) | 850 | 0,2 | 0,21 | 200 | 400 | 146,32 EUR | |
(1)
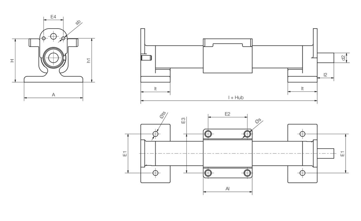
| Bestellnr. | A | Al | H | E1 | E2 | E3 | E4 | l | h | h1 | lt | ts | s | sb | l2 | d2 | 
|---|---|---|---|---|---|---|---|---|---|---|---|---|---|---|---|---|
| SET-12-AWM (1) | 30 | 30 | 23,5 | 20 | 20 | 20 | - | 60 | 22 | 15 | 3,3 | 4,2 | 10 | M4 | ||
| SET-25-AWM (1) | 60 | 55 | 44 | 40 | 40 | 40 | 20 | 115 | 39 | 45 | 30 | 5,2 | 5,2 | M4 | 17 | TRx10x2 | 
| SET-30-AWM (1) | 80 | 55 | 49 | 60 | 40 | 40 | 20 | 125 | 39 | 50 | 35 | 6,5 | 5,2 | M4 | 20 | TRx12x3 | 
(1)