Nach Eingabe Ihrer Postleitzahl nennen wir Ihnen sofort Ihren persönlichen igus® Berater.
kein Loslager
2Loslager in z-Richtung
3Loslager in y-Richtung
4Loslager in yz-Richtung
 
        Geben Sie die gewünschte Anzahl der Schlitten an.
 
       
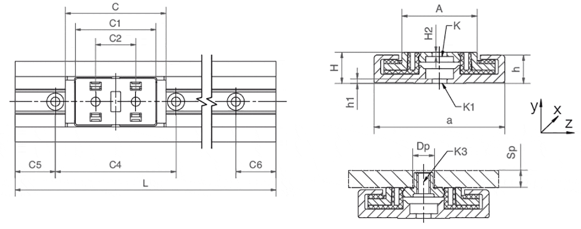
        | Art.-Nr. | L max. | a | C4 | C5 min. | C6 max. | h | h1 | K1 | ly [mm²] | lz [mm²] | Gewicht [g/m] | 
|---|---|---|---|---|---|---|---|---|---|---|---|
| NS-01-40(-AR) | 3.000 | 40 | 60 | 20 | 49,5 | 8,7 | 1,3 | Ø4,5 | 26.400 | 970 | 450 | 
| Art.-Nr. | H ±0,35 | A | C | C1 | C2 | H2 | K | K3 | Sp | Dp | Gewicht [g] | 
|---|---|---|---|---|---|---|---|---|---|---|---|
| NW-01-40(-P) | 9,5 | 23 | 50 | 40 | 20 | 1,3 | Ø4,5 | - | - | - | 30 | 
| NW-11-40 | 9,5 | 23 | 52 | 40 | 20 | 1,3 | Ø4,5 | - | - | - | 30 | 
| NW-02-40(-P) | 9,5 | 23 | 50 | 40 | 20 | - | - | M4 | 5 | 6,5 | 30 | 
| NW-12-40 | 9,5 | 23 | 52 | 40 | 20 | - | - | M4 | 5 | 6,5 | 30 |