Nach Eingabe Ihrer Postleitzahl nennen wir Ihnen sofort Ihren persönlichen igus® Berater.
kein Loslager
2Loslager in z-Richtung
3Loslager in y-Richtung
4Loslager in yz-Richtung
 
        Geben Sie die gewünschte Anzahl der Schlitten an.
 
       
         
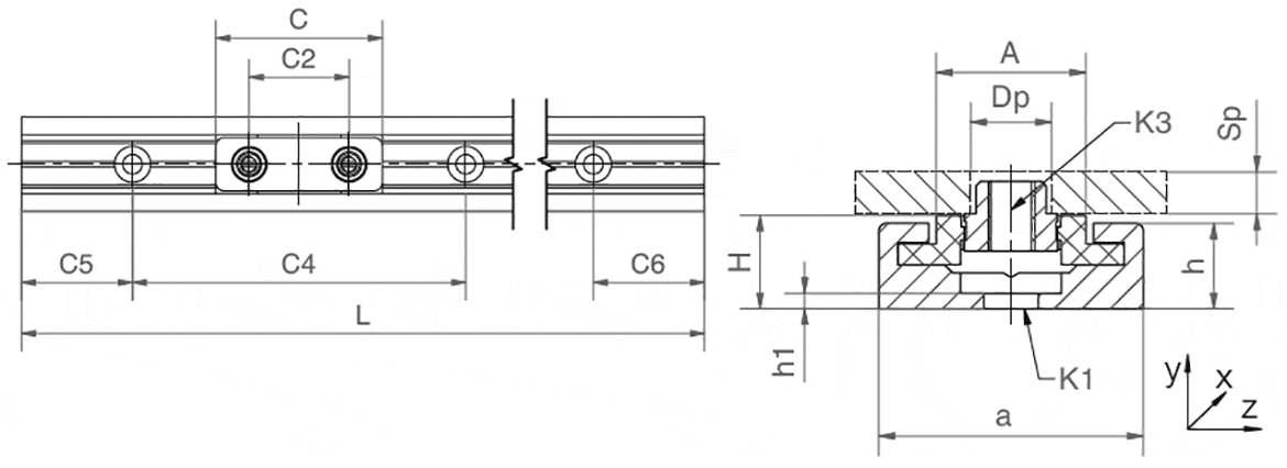
        | Art.-Nr. | L max. | a | C4 | C5 min. | C6 max. | h | h1 | K1 | ly [mm²] | lz [mm²] | Gewicht [g/m] | 
|---|---|---|---|---|---|---|---|---|---|---|---|
| NS-01-17(-AR) | 2.000 | 17 | 60 | 20 | 49,5 | 5,5 | 0,9 | Ø3,5 | 1.700 | 120 | 150 | 
| Art.-Nr. | H ±0,35 | A | C | C2 | K3 | Sp | Dp | Gewicht [g] | 
|---|---|---|---|---|---|---|---|---|
| NW-02-17(-P) | 6 | 9,6 | 20 | 14 | M3 | 2,5 | 5,0 | 1,7 | 
| NW-22-17-30 | 6 | 9,6 | 30 | 18 | M3 | 2,5 | 5,0 | 2,4 | 
| NW-22-17-40 | 6 | 9,6 | 40 | 28 | M3 | 2,5 | 5,0 | 2,6 |