Bitte wählen Sie Ihren Lieferstandort

Die Auswahl der Länder-/Regionsseite kann verschiedene Faktoren wie Preis, Einkaufsmöglichkeiten und Produktverfügbarkeit beeinflussen.
Mein Ansprechpartner
Standort auswählen

Nach Eingabe Ihrer Postleitzahl nennen wir Ihnen sofort Ihren persönlichen igus® Berater.

BE(DE)

Konfigurator für drylin® T - Miniaturführung

Bestellung eines kompletten Systems

Konfiguration in wenigen Schritten:

1. Auswahl der Anzahl Schlitten
2. Auswahl der Art des Schlittens
3. Eingabe der Schienenlänge in mm
4. Auswahl der Schlitten-Optionen
5. Auswahl der Schienen-Optionen

Hinweis:

Detailinformationen finden Sie unten in den Zeichnungen sowie auf den u.g. Seiten. Genauere Angaben zu den Loslagervarianten erhalten Sie innerhalb der Konstruktionsregeln.
1

kein Loslager

2

Loslager in z-Richtung

3

Loslager in y-Richtung

4

Loslager in yz-Richtung

Loslager Anwendung

drylin® TK-04 – komplettes System

Schritt 1

Wählen Sie die Baugröße des Führungswagens aus.

technical drawing
Baugröße des Führungswagens:
drylin T System 04 Zeichnung

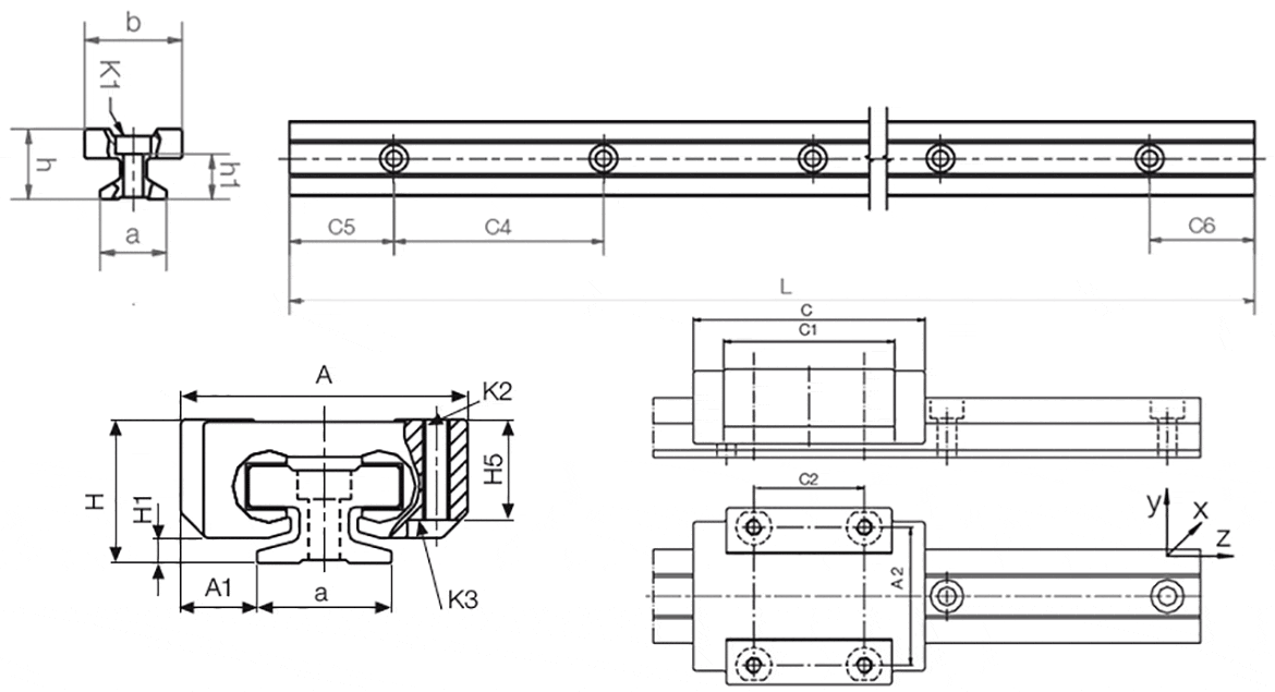
Abmessungen und technische Daten


Führungsschiene

Art.-Nr. Gewicht
[kg/m]
L
max.
a
-0,2
C4 C5
min.
C5
max.
C6
min.
C6
max.
h h1 K1 für Schraube
DIN 912
b ly
[mm4]
lz
[mm4]
Wby
[mm4]
Wbz
[mm4]
TS-04-07 0,08 2.000 7 15 5 12 5 12 5,5 3,7 M2 8 131 90 32 29
TS-04-09 0,11 2.000 9 20 5 14,5 5 14,5 6,3 4,6 M2 9,6 252 169 52 49
TS-04-12 0,20 2.000 12 25 5 17,0 5 17,0 8,6 5,9 M3 13 856 574 132 120
TS-04-15 0,33 3.000 15 40 10 29,5 10 29,5 10,8 7,0 M3 17 2.420 1.410 285 239
Standardbohrbild symmetrisch C5: C6

Führungswagen

Art.-Nr. Gewicht
[g]
H
±0,35
A
–0,2
C
±0,3
A1
±0,35
A2 C1 C2 H1
±0,35
H5 K2-Gew. Anziehmoment
max.
[Nm]
K3 für Schraube
DIN 912
TW-04-07 8 8 17 23 5 12 21 8 1,5 - M2 0,25 -
TW-04-09 17 10 20 29 5,5 15 18 13 1,7 7,2 M2 0,25 M2
TW-04-12 34 13 27 34 7,5 20 22 15 2,2 9,5 M3 0,5 M2 (M3)
TW-04-15 61 16 32 42 8,5 25 31 20 2,8 11 M3 0,5 M2 (M3)


Wagen mit einstellbarem Spiel

Art.-Nr. Gewicht
[g]
H
±0,35
A
–0,2
C
±0,3
A1
±0,35
A2 C1 C2 H1
±0,35
H5 K2-Gew. K3 für Schraube
DIN 912
TWE-04-12 36 13 27 38 7,5 20 36 15 2,2 9,5 M3 M2 (M3)
TWE-04-15 61 16 32 45 8,5 25 31 20 2,8 11 M3 M2 (M3)


The terms "igus", "Apiro", "chainflex", "CFRIP", "conprotect", "CTD", "drylin", "dry-tech", "dryspin", "easy chain", "e-chain", "e-chain systems", "e-ketten", "e-kettensysteme", "e-skin", "e-spool", "flizz", "ibow", "igear", "iglidur", "igubal", "kineKIT", "manus", "motion plastics", "pikchain", "plastics for longer life", "readychain", "readycable", "ReBeL", "speedigus", "triflex", "robolink", "xirodur", and "xiros" are legally protected trademarks of the igus® SE & Co. KG/ Cologne in the Federal Republic of Germany and where applicable in some foreign countries.

igus® SE & Co. KG points out that it does not sell any products of the companies Allen Bradley, B&R, Baumüller, Beckhoff, Lahr, Control Techniques, Danaher Motion, ELAU, FAGOR, FANUC, Festo, Heidenhain, Jetter, Lenze, LinMot, LTi DRiVES, Mitsubishi, NUM,Parker, Bosch Rexroth, SEW, Siemens, Stöber and all other drive manufacturers mention on this website. The products offered by igus® are those of igus® SE & Co. KG