Kies uw leveringslocatie

De keuze van de land/regio-pagina kan invloed hebben op verschillende factoren zoals prijs, verzendopties en beschikbaarheid van producten.
Mijn contactpersoon
Selecteer locatie

Na selectie van uw postcode, wijzen wij u het relevante personeel toe dat u meteen van dienst is.

BE(NL)

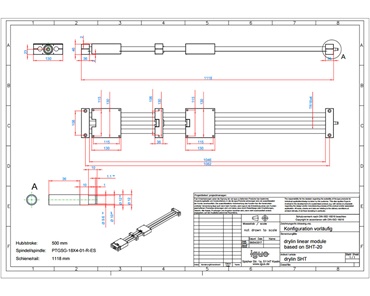
drylin® SHT aandrijftechnologie-configurator

U definieert uw lineaire as. Wij leveren hem!

Bespaar tijd en reduceer kosten. Stel uw SHT lineaire module met schroefspindel eenvoudig online samen met slechts enkele muisklikken. Installatiemaat, materialen, spindelspoedversies, meerdere wagens, rechts/links tegengesteld lopende aandrijving, bewerking uiteinde. We kunnen het allemaal voor u doen. Past uw lineaire module in uw toepassingsomgeving? U kunt dit heel gemakkelijk controleren – het 3D CAD model en de 2D PDF maattekening zijn inbegrepen. Wilt u uw lineaire module handmatig bedienen of met behulp van een motor? We kunnen het beide doen. Kies gewoon de bijpassende accessoires en motor. En hoe bestuurt u uw motor of lineaire as? igus® kan dat ook doen. Bestel simpelweg het geschikte dryve motorbesturingssysteem. En hoe plaats ik een order? Plaats het in het winkelwagentje, rond de bestelling af en ontvang uw levering. Dat is igus® service.
Ga naar de SHT configurator
Configureer SHT lineaire assen met draadspindel

In slechts een paar stappen naar de lineaire as met draadspindelaandrijving

drylin® SHT-configurator
  • Keuze uit vier installatiegroottes
  • Trapezium schroefdraad of dryspin® steile schroefdraad
  • Enkelvoudige en meervoudige wagen-uitvoeringen
  • Kan ookFDA-conform geconfigureerd worden voor de levensmiddelen- en farmaceutische sectoren
  • NIEUW: NEMA stappenmotoren; EC/DC gelijkstroommotoren, dryve motorbesturingssystemen,  naderingsschakelaars, aansluitkabel

drylin® SHT aandrijftechnologie-configurator 1. Voer applicatieparameters in
drylin® SHT aandrijftechnologie-configurator 2. Systeemconfiguratie
drylin® SHT aandrijftechnologie-configurator 3. Configureer aandrijfpen of accessoire
drylin® SHT aandrijftechnologie-configurator 4. Controleer het overzicht
drylin® SHT aandrijftechnologie-configurator 5. Bekijk interactief 3D CAD model
drylin® SHT aandrijftechnologie-configurator 6. Download PDF maattekening

Verbeter techniek met igus Verbeter techniek
  • Online configuratietool voor SHT-lineaire modules
  • Configuratie van enkelvoudige of meervoudige sledesystemen
  • Snelle dryspin® steile schroefdraad of zelfborgende trapezium schroefdraad
  • Aansluitklare configuratie
Kosten omlaag met igus

Verlaag kosten

    • Eenvoudige online configuratie van een lineaire module
    • Alle onderdelen passen bij elkaar
    • Verkorte ontwerptijd door aansluitklaar systeem (lineaire module/motor/dryve motorbesturingssysteem)
    • incl. 2D maatschets en 3D CAD-model
    igus bewijst het Bewijs
    • Levensduur kan online worden berekend
    • Alle configuratiemodellen duidelijk en plausibel
    • incl. 2D maatschets en 3D CAD-model
    igus is duurzaam Duurzaamheid
    • igusondersteunt de circulaire economie van kunststoffenen investeert in chemische recycling. Meer informatie over dit onderwerp op: Plastic2Oil



    The termen "Apiro", "AutoChain", "CFRIP", "chainflex", "chainge", "chains for cranes", "ConProtect", "cradle-chain", "CTD", "drygear", "drylin", "dryspin", "dry-tech", "dryway", "easy chain", "e-chain", "e-chain systems", "e-ketten", "e-kettensysteme", "e-loop", "energy chain", "energy chain systems", "enjoyneering", "e-skin", "e-spool", "fixflex", "flizz", "i.Cee", "ibow", "igear", "iglidur", "igubal", "igumid", "igus", "igus improves what moves", "igus:bike", "igusGO", "igutex", "iguverse", "iguversum", "kineKIT", "kopla", "manus", "motion plastics", "motion polymers", "motionary", "plastics for longer life", "print2mold", "Rawbot", "RBTX", "readycable", "readychain", "ReBeL", "ReCyycle", "reguse", "robolink", "Rohbot", "savfe", "speedigus", "superwise", "take the dryway", "tribofilament", "tribotape", "triflex", "twisterchain", "when it moves, igus improves", "xirodur", "xiros" en "yes" zijn wettelijk beschermde handelsmerken van igus® SE & Co. KG/Keulen in de Bondsrepubliek Duitsland en, indien van toepassing, in sommige andere landen. Dit is een niet-uitputtende lijst van handelsmerken (bijv. lopende handelsmerkaanvragen of geregistreerde handelsmerken) van igus SE & Co. KG of gelieerde ondernemingen van igus in Duitsland, de Europese Unie, de VS en/of andere landen of rechtsgebieden.

    igus® SE & Co. KG benadrukt dat het geen producten verkoopt van de bedrijven Allen Bradley, B&R, Baumüller, Beckhoff, Lahr, Control Techniques, Danaher Motion, ELAU, FAGOR, FANUC, Festo, Heidenhain, Jetter, Lenze, LinMot, LTi DRiVES, Mitsubishi, NUM, Parker, Bosch Rexroth, SEW, Siemens, Stöber en alle andere drive-fabrikanten die worden genoemd op deze website. De producten die worden aangeboden door igus® zijn die van igus® B.V.