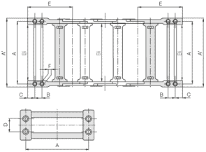
1. Gootzijdelen, aluminium, 2 m
2. Glijbalk, plastic, 2 m
3. Glijstrips*, lateraal, 2 m
4. Onderklem, aluminium
5. C-profiel, gegalvaniseerd staal
6. Bout M8 x 20
7. Glijmoer M8
8. Interface connector "Basis", kunststof
10. Optioneel: demperprofiel, rubber
*zonder glijstrips op aanvraag
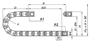
Aluminium "Super Trough"- de igus® standaard
De aluminium "SuperTrough" is een modulair geleidegootsysteem voor lange rijwegen (wanneer kabelrupsen zelf glijden, zie tekening). Aluminium "SuperTrough" is leverbaar in voordelige "basisversies" en kan worden geüpgraded voor heavy duty toepassingen. Door dit universele gebruikt is dit het nieuwe aanbevolen igus® standaard gootsysteem.
- Meervoudige bevestigingsopties met heavy duty beugels, onderklemmen en interface-connectoren
- Zijdelings gemonteerde glijstrips voor slijtagebescherming bij hoge snelheden
- Corrosiebestendige goot, zeewaterbestendig aluminium
- Flexibele montage - verbindt met de steunvloer, onafhankelijk van de profiellengte en locatie van gootsectie-interfaces
Voor de geselecteerde rups is een geleidegoot niet beschikbaar.