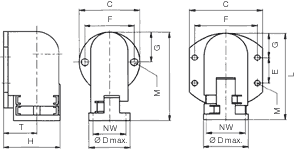
PMAFIX VOD: aansluitfittingen 90° hoek met flens
Deze PMAFIX aansluitarmaturen zijn geschikt in een breed scala aan toepassingen met PMAFLEX geribbelde beschermslangen en zorgen voor de hoogste waarden qua veiligheid en afdichting.
Kenmerken:
- IP66: armatuur met voorgeassembleerde universele veiligheidssluitingen (AFN2), flens afdichting (OR)
- IP68: armatuur met ovalen veiligheidssluitingen (OVN2), slang en flensafdichting (NVN3, OR)